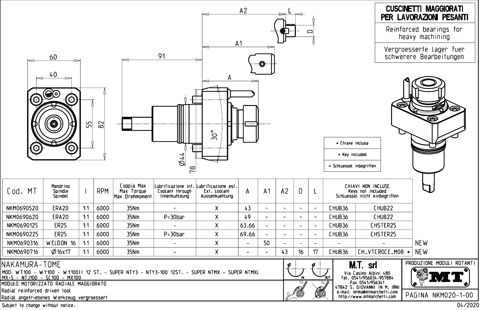
Radiální rotační držák nástrojů:
- max. 6.000 ot./min..
- převod 1:1.
- vnitřní (max.30bar) a venkovní přívod řezné kapaliny.
- upnutí nástroje pomocí: kleštiny ER / ERA, nástrčného trnu nebo weldonu.
Určeno pro stroje:
- Nakamura-Tome - série WT 100
- Nakamura-Tome - série WY 100 / 100II s 12-ti polohovou hlavou
- Nakamura-Tome - série SUPER NTY3 / NTY3 100 s 12-ti polohovou hlavou
- Nakamura-Tome - série SUPER NTMX / NTMXL
- Nakamura-Tome - série MX-5
- Nakamura-Tome - série NTJ 100
- Nakamura-Tome - série SC 100
- Nakamura-Tome - série MX 100
- Muratec - série MT 100 s 15ti polohovou hlavou

Pro stažení souboru se prosím přihlašte. Pokud nemáte účet tak se nejprve registrujte.