Rychlý kontakt: +420 381 214 452

TKW423-6-00

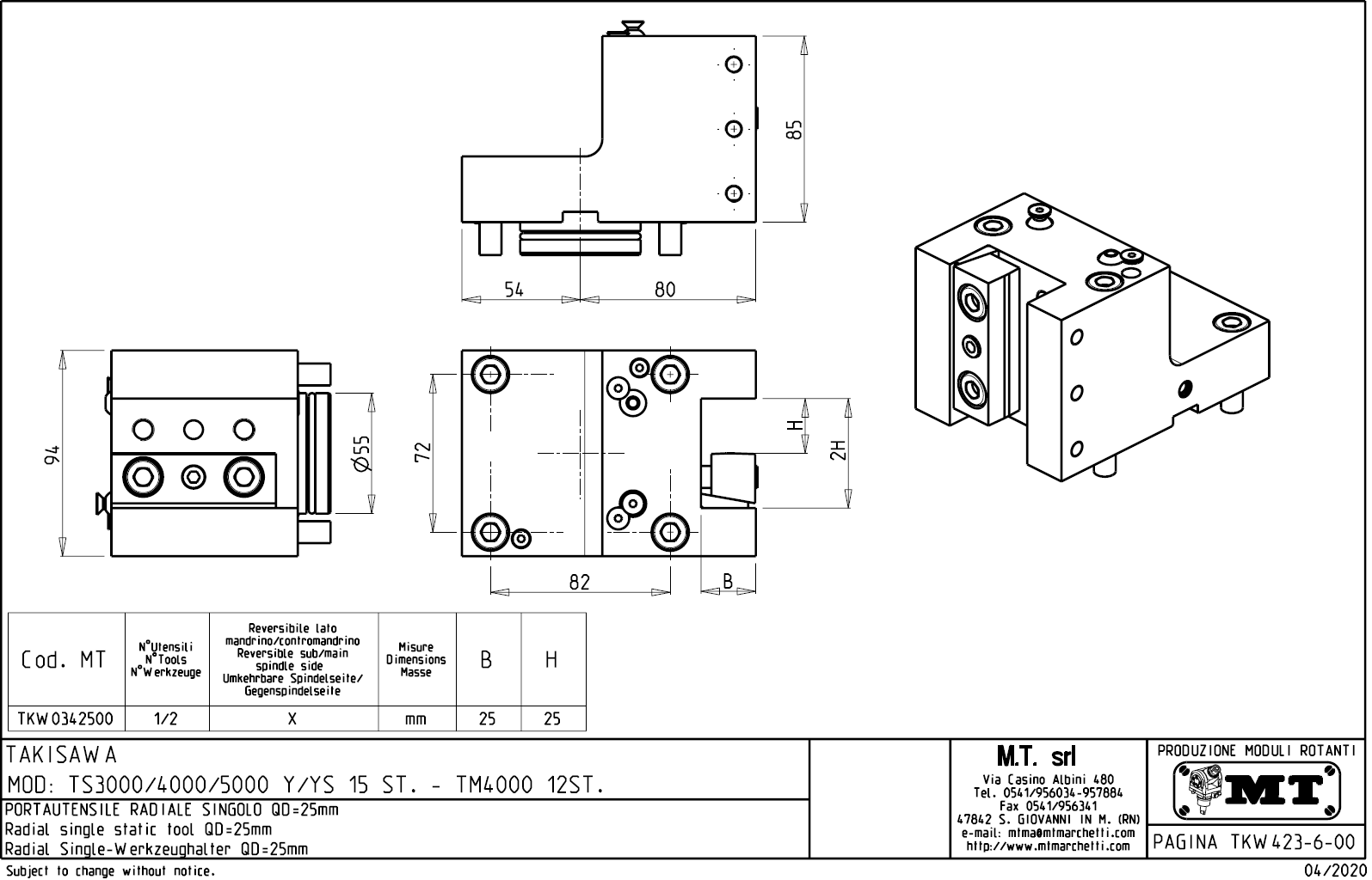
Radiální, pevný (statický) nástrojový držák pro stroje s nástrojovou hlavou typu BMT55.

Podrobný popis produktu
VÝBĚR VARIANTY:
Podrobný popis
Technické paramentry
Soubory ke stažení

Radiální pevný držák nástrojů pro vnější soustružení:

  • venkovní přívod řezné kapaliny.
  • pro upnutí vnějších nožů.

Určeno pro stroje:

  • Takisawa - série TS3000 / 4000 / 5000 Y / YS s 15-ti polohovou hlavou
  • Takisawa - série TM4000 s 12-ti polohovou hlavou

Pro stažení souboru se prosím přihlašte. Pokud nemáte účet tak se nejprve registrujte.